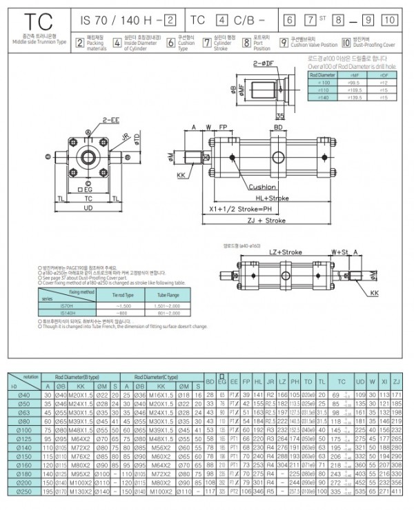
유압실린더 기본형(타이로드형)실린더 PDF다운
페이지 정보
작성자 최고관리자 작성일23-08-03 12:58 조회300회 댓글0건첨부파일
-
유압_실린더___IS70_140H_시리즈.pdf
(13.1M)
6회 다운로드
DATE : 2023-08-03 12:58:22

